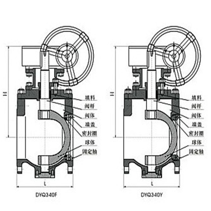
上裝式偏心半球閥概述:
上裝式偏心半球閥利用偏心閥體,偏心球體和閥座,閥桿作旋轉運動時在共同軌跡自動定心,關閉過程中越關越緊,完全達到良好的密封目的。閥門的球體和閥座完全脫離,消除了密封圈的磨損,克服了傳統球體閥座與球體密封面始終磨損的問題,非金屬彈性材料被嵌入金屬座中,閥座金屬面受到良好的保護。本產品特別適用于鋼鐵業,鋁業,纖維,微小固體顆粒,紙漿,煤灰,石油氣等介質。
上裝式偏心半球閥優點:
(1)壓力損失小:全開時水損為零,流道完全暢通,且介質不會沉積在閥體中腔內;
(2)耐顆料磨損:V形開口的球冠與金屬閥座之間具有剪切作用,在關閉過程中,只在**一刻球冠才靠向閥座,不形成磨擦,且閥座用耐磨的鎳合金制成,不易被沖刷磨損,因而適用于含纖維、微小固體顆料、漿等;
(3)適合高流速介質:直通流道,堅固的偏心一曲軸使之適合高流速具無振動;
(4)壽命長:無易損部件,由于偏心作用,閥門啟閉時密封面間無磨擦,則使用壽命長;
(5)維修方便:閥門維修時不需從管路上拆下,只要打開閥蓋即可進行維修;
(6)廣泛適用于水、污水、含微小固體顆料、水、蒸汽、煤氣、天然氣、油品等。
上裝式偏心半球閥執行標準:
1.設計和制造:GB/T12237-1989;AP1608。
2.檢驗和試驗:GB/T13927-1992;AP1598。
3.焊接連接:JB/T79.1~2-1994;ASME/ANSIB16.10
上裝式偏心半球閥主要零件材質及代號:

上裝式偏心半球閥主要連接尺寸:


